Ayak işleme aparatı kullanılarak, torna aynasının yumuşak ayaklarının işlenmesi
Bu makalede yer alan bilgiler Kitagawa B200 serisi torna aynası kullanan üretim mühendisleri ve bakım personelleri içindir. Torna aynaları ile ilgili detaylı bilgi için info@tandem.com.tr ‘den bize ulaşabilirsiniz.
|
1.Ayak işleme aparatının oluşturulması |
![]() |
|
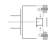
2. Ayak işleme aparatının sıkılması |
![]() |
|
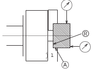
3. Ayakların işlenmesi
|
![]() |
|
4. İlk parçanın işlenmesi |
![]() |
Kitagawa B208 torna aynası ile ilgili bilgi almak ve sipariş vermek için tıklayınız.





