GHS 260E

Grinding

Standart taşlama uygulaması için Sabit Dinlenme

Kenetleme aralıkları: 20-60 mm
Maks. kelepçe basıncı/Yastık: 1kN
Tekrarlanabilirlik: 0,003 mm

Ana Özellikler

  • Sıkıştırma aralıkları: 20-60mm
  • Maks. eksenel Açıklık: 62mm
  • Silindir deliği: 30mm
  • Hyd. Bağlantı. (BSP): 1/4";
  • Standart Çalışma Basıncı: 1-10bar
  • Maks. Çalışma basıncı: 15 bar
  • Kelepçe. 6 bar'da Basın/Ped: 0,25kN
  • Maks. kelepçe basıncı/Yastık: 1kN
  • Tüm sıkıştırma aralığı boyunca merkezleme doğruluğu: 0,008 mm
  • Tekrarlanabilirlik: 0,003 mm
  • Ağırlık Yaklaşık: 7kg

Kitagawa GHS 260E özellikleri için tıklayınız.

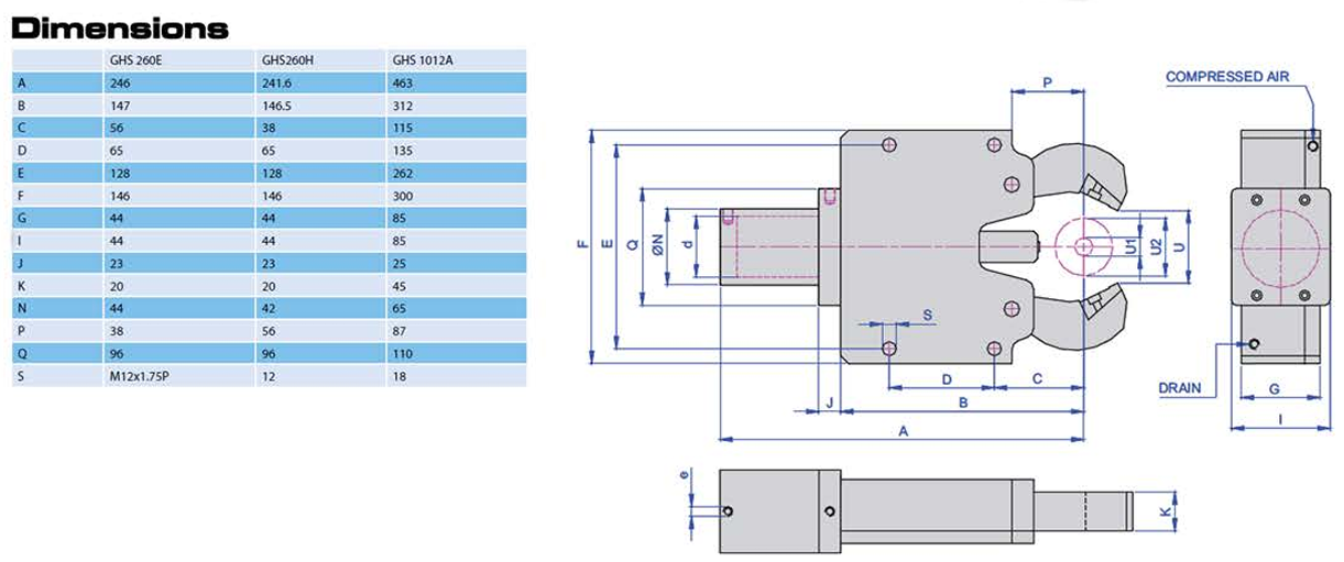
Kitagawa GHS 260E boyutları için tıklayınız.

Kitagawa GHS 260E kataloğu için tıklayınız.